Реле напряжения серии "CP"
Монтаж на DIN-рейку.
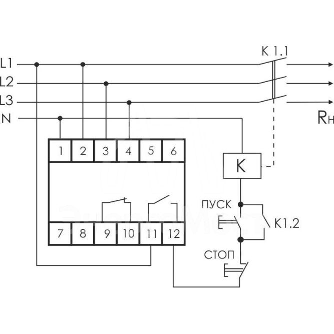
Предназначено для непрерывного контроля величины напряжения в трехфазной сети переменного тока и защиты электроустановок, электроприборов и прочего электронного оборудования от повышенного или пониженного напряжения, от обрыва нулевого провода.
Защита осуществляется путем отключения нагрузки от сети питания.
Верхний и нижний пределы напряжения устанавливает потребитель с помощью потенциометров на панели управления. Реле измеряет напряжение в сети и при выходе напряжения за установленные пределы или обрыве нулевого провода реле отключает защищаемое оборудование. После восстановления сетевого напряжения реле включается автоматически.
Особенности реле напряжения CP-731:
трехфазное;
контроль асимметрии напряжения;
контроль слипания фаз;
контроль чередования фаз;
напряжение питания - 3х(150...450)+N В AC;
максимальный ток нагрузки - 2х8 А;
контакты - 1NO, 1NC;
нижний порог напряжений - 150...210
верхний порог напряжений - 230...190
- Наличными при получении товара в пункте самовывоза*
- Безналичная оплата по счёту, который мы предоставим Вам после оформления заказа
Выбор пункта выдачи доступен при оформлении заказа на сайте.
После оформления заказа мы свяжемся с Вами для уточнения стоимости и сроков доставки.
Также Вы можете получить товар в нашем пункте самовывоза по адресу:
Крым, г. Симферополь, ул. Мамеди Эмир-Усеина, 14, офис 107
(пн-пт, 09:00-17:00)
Сроки доставки в пункт самовывоза (Симферополь):
- При заказе в понедельник-вторник — выдача в четверг
- При заказе в среду-пятницу — выдача в понедельник
















64a02d41213551.17959578_60x0.png)

























